Langsung ke konten utama

[46+] Pel Job Mini Digger Wiring Diagram, FARM SHOW Magazine - The BEST Stories About Made-It-Myself Shop

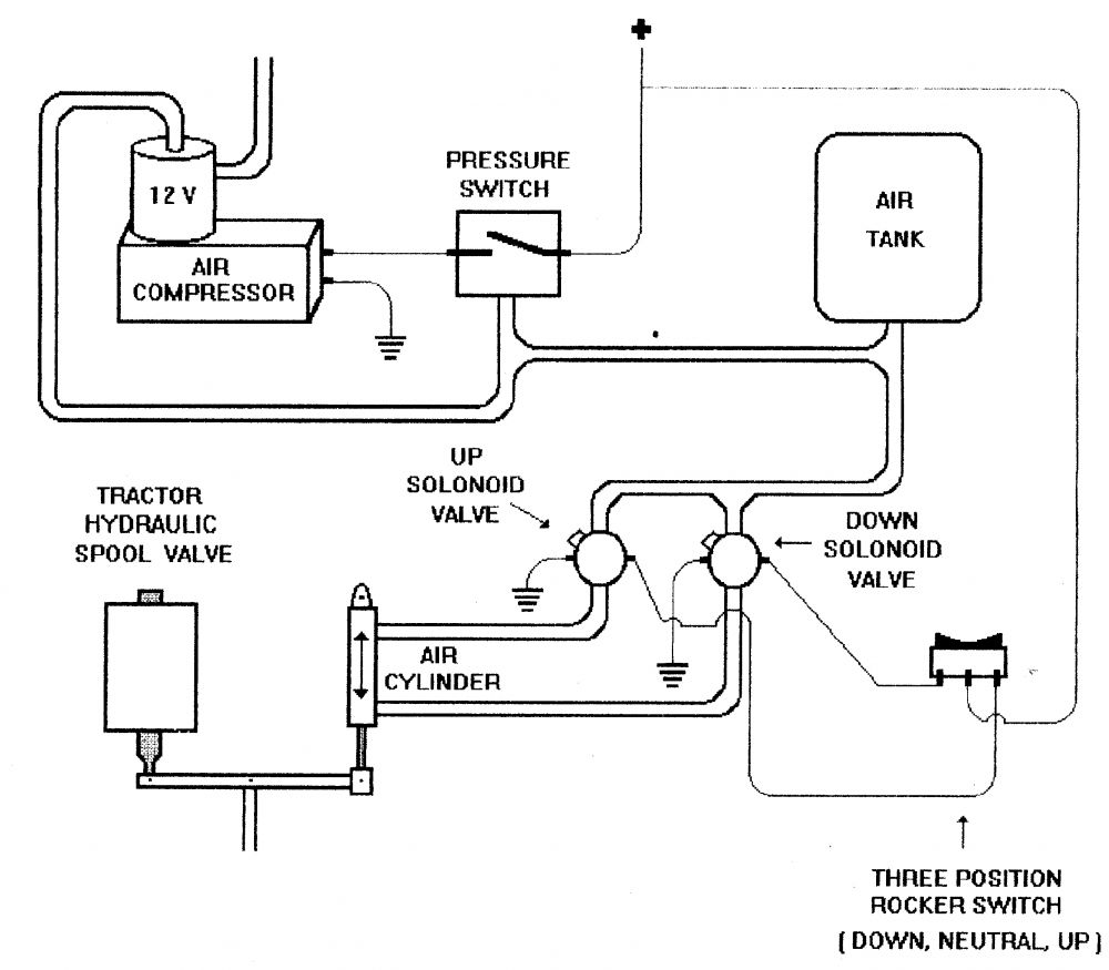
Pel Job Mini Digger Wiring Diagram Farm Show Magazine

Caterpillar 307b swing boom excavator electrical schematics manuals

Electrical 307b caterpillar schematics excavator manuals boom swing wiring system. Farm show magazine. Farm show magazine. Daewoo excavator

FARM SHOW Magazine - The BEST stories about Made-It-Myself Shop

FARM SHOW Magazine - The BEST stories about Made-It-Myself Shop

FARM SHOW Magazine - The BEST stories about Made-It-Myself Shop

FARM SHOW Magazine - The BEST stories about Made-It-Myself Shop

FARM SHOW Magazine - The BEST stories about Made-It-Myself Shop

FARM SHOW Magazine - The BEST stories about Made-It-Myself Shop

FARM SHOW Magazine - The BEST stories about Made-It-Myself Shop

FARM SHOW Magazine - The BEST stories about Made-It-Myself Shop

FARM SHOW Magazine - The BEST stories about Made-It-Myself Shop

FARM SHOW Magazine - The BEST stories about Made-It-Myself Shop

Komentar

Postingan populer dari blog ini

[Get 27+] Kathrein High Gain Antenna

Get Images Library Photos and Pictures. Pr Series Manualzz Aru4elcu6 Uhf Rfid Reader User Manual Antennas Kathrein Sachsen Gmbh Catalogo Kathrein By Salvatore Di Francisi Issuu Indoor Antenna Kathrein Indoor Antenna

15 Twin Dock Connect a dock floating docks

If you are searching about รีวิวบ้านๆ twin view dock 2 - YouTube you've came to the right web. We have 9 Pictures about รีวิวบ้านๆ twin view dock 2 - YouTube like รีวิวบ้านๆ twin view dock 2 - YouTube, Connect-A-Dock | Regatta Dock Systems and also Connect A Dock Floating Docks - 1000 Series, 2000 Series. Here it is: รีวิวบ้านๆ Twin View Dock 2 - YouTube www.youtube.com 1st Dock - YouTube www.youtube.com Asus ROG Phone 2: A New Ultimate Gaming Phone Could Arrive Very Soon www.trustedreviews.com rog asus phone gaming screen dock handy ultimate could twinview game videogame twin gamevice cable release date Connect-A-Dock | Regatta Dock Systems regattadock.com Docks | Custom Built Docks Inc. custombuiltdocks.com docks Classic Boston Whaler Outrage 25 With Twin 150 For Sale - The Hull www.thehulltruth.com outrage boston whaler...

[Download 22+] Ejemplos De Diseño De Maquetas De Sitios Web

Download Images Library Photos and Pictures. Imagoweb Diseno Web Diseno Grafico Experiencia De Usuario Ux Ui Design Mockups Para Mejorar El Trabajo De Diseno Web 4webs 20 Herramientas De Prototipado Y Usabilidad Web Para Tus Proyectos Arquitectura De La Informacion Prototipos La Mar De Tic